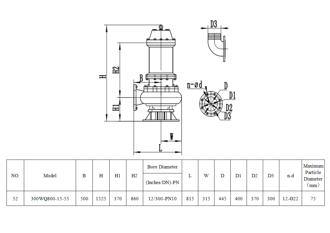
Submersible Sewage Pump 300WQ800-15-55 (800 m³/h, 15 m)

Submersible Sewage Pump 300WQ800-15-55 (800 m³/h, 15 m)

High-performance submersible sewage pump for industrial, municipal, and agricultural applications.
With a flow rate of 800 m³/h and a head of 15 m, the 300WQ800-15-55 efficiently handles sewage, slurry, and liquids with solids.

Applications:

  • Municipal and industrial wastewater systems

  • Effluent pumping and dewatering

  • Flood control and emergency drainage

  • Irrigation and pond dredging

Category:

Description

Product Description

This series of electric pumps is widely used in industry, agriculture, mining, construction,
and municipal works. Suitable for slurry, sewage, and liquids with solids, as well as for
irrigation and pond dredging.

Scope of Use

1. Medium temperature: ≤ +40 °C
2. pH value range: 4 – 10
3. Medium density: < 1.2 × 10³ kg/m³
4. Maximum submersible depth: 5 m
99. Please specify separately when ordering if these limits are exceeded.

Product Parameters

Parameter Value
Flow Rate 800
Head 15
Speed 1450
Motor Power 55
Pump Efficiency
Voltage 380
Frequency 50
Shaft Power
Cavitation Margin

Material Description

Component Material
Impeller HT200
Pump Body HT200
Pump Shaft 45#钢
O-Ring NBR
Electrical Material 铜绕组
Other Material SIC/C-SIC/SIC-NBR

Operating Conditions

Condition Value
Maximum Ambient Temperature
Maximum Liquid Temperature 40℃
Maximum Working Pressure 10 bar
Conveying Medium ≤1.2×10³ kg/m³ 轻质污水

Connection Method

Item Value
Inlet Caliber
Outlet Caliber 300
Connection Method 软管 / 法兰 / 耦合

Motor

Motor Parameter Value
Motor Speed 1450
Capacitance Capacity
Rated Voltage 380
Number of Phases 三相
Protection Level IP68
Insulation Level B
Motor Power 55
Frequency 50
Voltage 380
Rated Current 103
Energy Efficiency Level
IE3 Power Factor 0.87
Extended Shaft Bearings 6317*2
Non-Extended Shaft Bearings 6317
Efficiency 93.5

Packaging

Item Value
Gross Weight /
Dimensions of Packaging /

Reviews

There are no reviews yet.

Be the first to review “Submersible Sewage Pump 300WQ800-15-55 (800 m³/h, 15 m)”

Your email address will not be published. Required fields are marked *