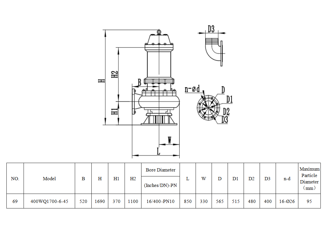
Submersible Sewage Pump 400WQ1700-6-45 (1700 m³/h, 6 m)

Submersible Sewage Pump 400WQ1700-6-45 (1700 m³/h, 6 m)

A heavy-duty submersible pump engineered for high-volume sewage, drainage, and wastewater transfer.
With a 1700 m³/h flow rate and 6 m head, the 400WQ1700-6-45 provides strong hydraulic output, excellent solids handling, and reliable continuous performance for municipal, industrial, and commercial applications.

Applications:

  • Municipal and industrial sewage systems

  • Flood control and emergency drainage

  • Effluent transfer and dewatering operations

  • Hospitals, residential communities, hotels, and commercial facilities

Category:

Description

Product Description

This series of electric pumps is widely used in industry, agriculture, mining, construction,
and municipal works. Suitable for slurry, sewage, and liquids with solids, as well as for
irrigation and pond dredging.

Scope of Use

1. Medium temperature: ≤ +40 °C
2. pH value range: 4 – 10
3. Medium density: < 1.2 × 10³ kg/m³
4. Maximum submersible depth: 5 m
115. Please specify separately when ordering if these limits are exceeded.

Product Parameters

Parameter Value
Flow Rate 1700
Head 6
Speed 980
Motor Power 45
Pump Efficiency
Voltage 380
Frequency 50
Shaft Power
Cavitation Margin

Material Description

Component Material
Impeller HT200
Pump Body HT200
Pump Shaft 45#钢
O-Ring NBR
Electrical Material 铜绕组
Other Material SIC/C-SIC/SIC-NBR

Operating Conditions

Condition Value
Maximum Ambient Temperature
Maximum Liquid Temperature 40℃
Maximum Working Pressure 10 bar
Conveying Medium ≤1.2×10³ kg/m³ 轻质污水

Connection Method

Item Value
Inlet Caliber
Outlet Caliber 400
Connection Method 软管 / 法兰 / 耦合

Motor

Motor Parameter Value
Motor Speed 980
Capacitance Capacity
Rated Voltage 380
Number of Phases 三相
Protection Level IP68
Insulation Level B
Motor Power 45
Frequency 50
Rated Current 85.8
Energy Efficiency Level
IE3 Power Factor 0.86
Extended Shaft Bearings 6315 + 7315 7315*1
Non-Extended Shaft Bearings 6314
Efficiency 92.7

Packaging

Item Value
Gross Weight /
Dimensions of Packaging /

Reviews

There are no reviews yet.

Be the first to review “Submersible Sewage Pump 400WQ1700-6-45 (1700 m³/h, 6 m)”

Your email address will not be published. Required fields are marked *