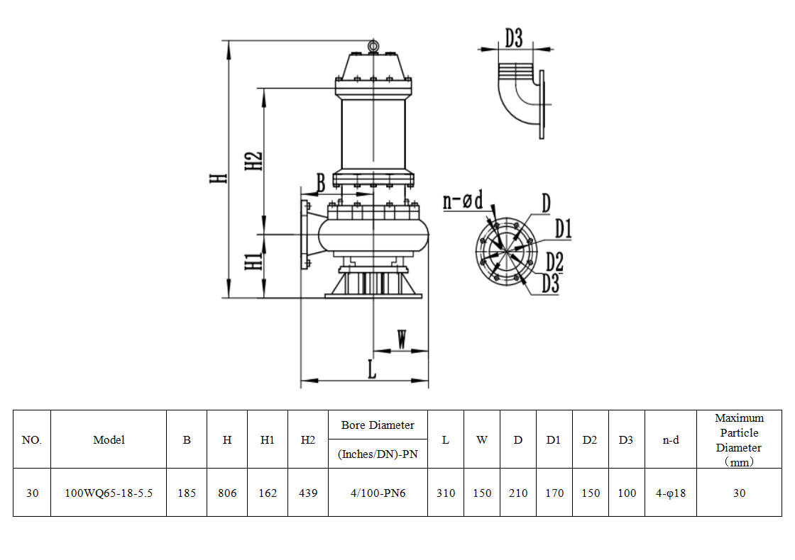
Submersible Sewage Pump 100WQ65-18-5.5 (65 m³/h, 18 m)

Submersible Sewage Pump 100WQ65-18-5.5 (65 m³/h, 18 m)

High-performance submersible sewage pump suitable for municipal, industrial, and agricultural applications.
With a flow rate of 65 m³/h and a head of 18 m, it reliably handles sewage, slurry, and liquids containing solids.

Applications:

  • Municipal and industrial wastewater systems

  • Effluent pumping and dewatering

  • Flood control and emergency drainage

  • Irrigation and pond dredging

 

Category:

Description

Product Description

This series of electric pumps is widely used in industry, agriculture, mining, construction, and municipal works. Suitable for slurry, sewage, and liquids with solids, as well as for irrigation and pond dredging.

Scope of Use

1. Medium temperature: ≤ +40 °C
2. pH value range: 4 – 10
3. Medium density: < 1.2 × 10³ kg/m³
4. Maximum submersible depth: 5 m
37. Please specify separately when ordering if these limits are exceeded.

Product Parameters

Parameter Value
Flow Rate 65
Head 18
Speed 2900
Motor Power 5.5
Pump Efficiency
Voltage 380
Frequency 50
Shaft Power
Cavitation Margin

Material Description

Component Material
Impeller HT200
Pump Body HT200
Pump Shaft 45#钢
O-Ring NBR
Electrical Material Copper Windings
Other Material SIC/C-SIC/SIC-NBR

Operating Conditions

Condition Value
Maximum Ambient Temperature
Maximum Liquid Temperature 40℃
Maximum Working Pressure 6bar
Conveying Medium ≤1.2×10³kg/m³ water

Connection Method

Item Value
Inlet Caliber
Outlet Caliber 100
Connection Method Coupling/Pipe/Flange

Motor

Motor Parameter Value
Motor Speed 2900
Capacitance Capacity
Rated Voltage 380
Number of Phases 3
Protection Level IP68
Insulation Level B
Motor Power 5.5
Frequency 50
Voltage 380
Rated Current 11.2
Energy Efficiency Level
IE3 Power Factor 0.86
Extended Shaft Bearings 6307*2
Non-Extended Shaft Bearings 6206
Efficiency 87

Packaging

Item Value
Gross Weight /
Dimensions of Packaging /

Reviews

There are no reviews yet.

Be the first to review “Submersible Sewage Pump 100WQ65-18-5.5 (65 m³/h, 18 m)”

Your email address will not be published. Required fields are marked *